Okwu mmalite
This manual provides essential information for the proper setup, operation, and maintenance of your DollaTek Magnetic Reed Switch. This component is designed for various electronic applications requiring magnetic field detection. Please read this manual thoroughly before use to ensure safe and efficient operation.
The package includes five (5) DollaTek magnetic reed sensors. This product is a replacement accessory and not an original Arduino product.
Ngwaahịa gafereview
The DollaTek Magnetic Reed Switch is a compact electronic component that detects the presence of a magnetic field. When a magnet is brought near the reed switch, the internal contacts close or open, changing the output signal. This makes it suitable for applications such as door/window sensors, limit switches, and other proximity detection systems.
Foto 1: N'elu view of the DollaTek Magnetic Reed Switch module. It shows the green PCB, the glass reed switch capsule, and the three pin headers labeled VCC, GND, and OUT.
Melite
Follow these steps to set up your DollaTek Magnetic Reed Switch:
- Identify Pins: The module has three pins: VCC (power supply), GND (ground), and OUT (output signal).
- Njikọ ike: Connect VCC to your power supply (typically 3.3V or 5V, depending on your microcontroller or system). Connect GND to the ground of your power supply.
- Njikọ mmepụta: Connect the OUT pin to a digital input pin on your microcontroller (e.g., Arduino, Raspberry Pi) or to the input of your control circuit.
- Ịkwanye: Secure the module in your desired location. The PCB has four mounting holes for easy integration.
- Magnetic Source: Position a magnet near the reed switch. The switch will activate when the magnet is within its detection range.
Foto 2: Agara nso view of the module's pin headers, clearly showing the VCC, GND, and OUT labels for connection.
Foto 3: Schematic diagram of the DollaTek Magnetic Reed Switch module, showing pin labels and internal components.
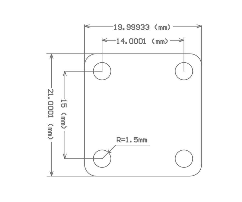
Foto 4: Dimensional drawing of the reed switch module, indicating its physical size (approximately 20x21mm) and mounting hole positions.
Ntuziaka ọrụ
The DollaTek Magnetic Reed Switch operates based on the principle of magnetic induction. The internal reed contacts are typically Normally Open (NO), meaning the circuit is open (no current flows) when no magnetic field is present. When a magnet is brought close enough, the magnetic field causes the reeds to attract and close, completing the circuit and changing the state of the OUT pin.
- Nchọpụta: When a magnet approaches the reed switch, the OUT pin will change its state (e.g., from HIGH to LOW or vice versa, depending on the internal pull-up/pull-down configuration and external circuitry).
- Ogologo: The activation distance depends on the strength of the magnet and the sensitivity of the reed switch. Experiment with different distances to find the optimal placement for your application.
- Usoro: The orientation of the magnet relative to the reed switch can also affect its activation. Typically, placing the magnet parallel to the length of the glass capsule provides the best response.
Nlekọta
The DollaTek Magnetic Reed Switch is a robust electronic component designed for long-term use with minimal maintenance. Observe the following guidelines:
- Debe nkụ: Avoid exposure to moisture or liquids, as this can damage the electronic components.
- Ịdị ọcha: Keep the module free from dust and debris. Use a soft, dry cloth for cleaning if necessary.
- Okpomọkụ: Operate the switch within its specified temperature range. Avoid extreme heat or cold, which can affect performance and lifespan.
- Mmebi anụ ahụ: Protect the glass reed switch capsule from physical impact, as it is fragile.
Nchọpụta nsogbu
If you encounter issues with your DollaTek Magnetic Reed Switch, consider the following:
- No Trigger:
- Ensure power (VCC and GND) is correctly supplied to the module.
- Verify the magnet is strong enough and positioned within the detection range.
- Check the wiring connections to your microcontroller or circuit.
- Confirm the reed switch is not physically damaged.
- False Triggers / Unstable Output:
- Ensure there are no other strong magnetic fields nearby that could interfere with the switch.
- Lelee maka njikọ adịghị mma ma ọ bụ waya na-ezighi ezi.
- Mmetụta okpomọkụ: One user reported that a reed switch could trigger spontaneously at higher room temperatures (around 21°C) after working correctly at lower temperatures (around 15°C). If experiencing such issues, consider the operating temperature environment.
- Incorrect Output State:
- Verify the logic of your code or circuit. Reed switches are typically Normally Open (NO), meaning they close in the presence of a magnet.
Nkọwapụta
| Njirimara | Nkọwapụta |
|---|---|
| Ụdị | DollaTek |
| Nọmba nlereanya | 742548979416 |
| Akụkụ ngwugwu | 10 x 6.4 x 0.2 cm |
| Ibu Ibu | 20 grams |
| Ihe onwunwe | Plastic |
| Ike | 1 watts (Max) |
| Ọnụọgụ nke ihe dị na ngwugwu | 5 |
| Ngbanwe Ụdị | Magnetic Reed Switch, 1-way |
| Ụdị nkwụnye | Ugwu Panel |
| Ụdị ọrụ | Akpaaka |
| Ụdị kọntaktị | Na-emepe emepe |
| Ụdị njedebe | Ịghasa |
Akwụkwọ ikike na nkwado
Specific warranty information for the DollaTek Magnetic Reed Switch is not explicitly provided. For details regarding returns or potential defects, please refer to the retailer's return policy or contact DollaTek directly through their official support channels.
Please note that spare parts availability is listed as "Information unavailable on spare parts."
